




| 技术规格CM-CU21 | |
| 麦克风输入 | |
| 增益范围: | + 20dB至+ 86dB |
| 最大输入电平: | -6dBu |
| 等效输入噪声: |
130dB。 80dB增益 150Ω端接 |
| 等效输入噪声: |
128dB。 50dB增益 150Ω端接 |
| CMRR | > 60dB |
| 频率响应: |
±0.5dB 20Hz至22kHz 在1kHz时反射50dB增益 |
| 电子平衡线路输入 | |
| 增益范围: | -83dB至+ 10dB |
| 最大输入电平: | + 25dBu |
| CMRR | > 70dB |
| 频率响应: |
±0.2dB 20Hz至22kHz Ref 0dB @ 1kHz |
| 变压器平衡监视器输入 | |
| 增益范围: | -66dB至+ 11dB测量@耳机输出 |
| 最大输入电平: | + 25dBu |
| CMRR | > 60dB |
| 频率响应: |
±0.5dB 20Hz至22kHz Ref 0dB @ 1kHz |
| 变压器平衡主输出 | |
| 最大输出电平(限制器关闭): | + 24dBu |
| 频率响应: |
±0.5dB 20Hz至22kHz Ref 0dB @ 1kHz |
| 噪声: |
-94dB平均加权 Ref + 8dB线路输入 |
| THD&N: | <0> |
| THD&N: | <0> |
| 1%失真点: | + 18dBu @ 24Hz |
| 变压器平衡对讲输出 | |
| 最大输出电平限制: | + 8dBu |
| 频率响应: |
±0.5dB 20Hz至22kHz Ref 0dB @ 1kHz |
| 噪声: |
-94dB平均加权 Ref + 8dB线路输入 |
| THD&N: | <0> |
| 电子平衡通信输出 | |
| 最大输出电平限制: | + 25dBu |
| 频率响应: |
±0.2dB 20Hz至22kHz Ref 0dB @ 1kHz |
| 噪声: |
-98dB平均加权 Ref + 8dB线路输入 |
| THD&N: | <0> |
| 耳机输出 | |
| 增益范围: | -66dB至+ 11dB |
| 最大输出电平: | + 19dBu |
| 频率响应: | ±0.5dB 20Hz至22kHz Ref 0dB @ 1kHz |
| 噪声: |
-85dB平均加权 Ref + 8dB线路输入 |
| THD&N: | <0> |
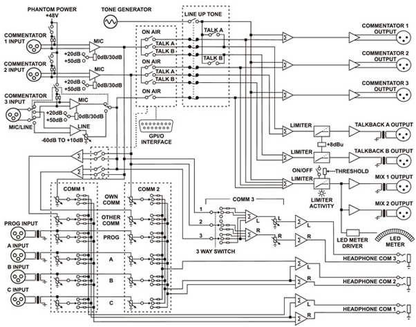
| 主面板操作控制和指示器 | |
| 直播1-3按钮: | 带锁定动作的发光按钮 |
| 对讲A&B按钮: | 带可选瞬时和/或闭锁动作的照明按钮 |
| 耳机监视器控制: |
输入源电平调整电位器 耳机通道选择开关 |
| 线路输入电平: | 客人位置线输入模式电平电位器 |
| PPM仪表: | 21段显示混合输出电平,亮度电平可选 |
| 限位LED: | 表示混合输出限制器有效,可选择颜色和亮度级别 |
| 电源LED: | 指示操作模式; 正常或设置 |
| 前面板操作控制 | |
| 幻影: | 切换为位置1和2启用48V麦克风幻像电源 |
| 幻影/线: | 切换到启用48V麦克风幻像电源或选择线路输入模式的位置3 |
| 麦克风增益: | 麦克风增益电位器和量程选择开关选择+ 20- + 56dB或+ 50- + 86dB |
| 后面板操作控制 | |
| 空气锁: |
切换以防止空气控制被禁用 瞬时按钮,以覆盖空气锁 |
| T / B帮: | 切换到对讲A和B的链接操作 |
| T / B增益: | 0dB - + 12dB |
| 限制: |
切换到启用混合输出上的限制器 限位电平调节电位器 |
| 测试音: | 切换到启用1 kHz排队音调 |
| 配置选项 - 可通过设置模式访问 | |
| 空中控制模式: | 禁用,正常或永久打开 |
| 对讲按钮操作: | 瞬时,锁定或两者 |
| 耳机布线: |
位置3线路模式输入路由/不路由到位置1和2耳机 位置1-3输入永久路由/不路由到耳机监视器 |
| 显示首选项: |
限制LED颜色和亮度 按钮LED亮度 PPM表LED亮/禁用 |
| 永久选项备份: | 保存/加载选项到永久备份或从永久备份加载选项或返回出厂默认值 |
| 前面板连接 | |
| 耳机输出: |
2 x锁定耳机插孔,用于位置1和2 1个用于位置3的耳机插孔 |
| 麦克风输入: | 2 x XLR-3针锁定母头,用于位置1和2 |
| 麦克风/线路输入: | 1 x XLR-3针锁定母头,用于位置3 |
| 后面板连接 | |
| Prog,A,B&C输入: | 4 x XLR-3针母(变压器平衡) |
| Comm1-3输出: | 3 x XLR-3针公(电子平衡) |
| 对讲A&B输出: | 2 x XLR-3针公(变压器平衡) |
| 混合1和2输出: | 2 x XLR-3针公(变压器平衡) |
| GPIO端口: | 15针D型插座 |
| 电源输入: |
通用过滤IEC,连续 额定85-264VAC,47-63Hz,10W |
| 保险丝额定值: | 防浪涌保险丝1A 20 x 5mm |
| 直流输入: |
XLR-4针公型12V直流,650mA典型,850mA最大 24V DC,325mA典型值,425mA最大值 |
| 地球点: | M4螺柱。 |
| 设备类型 | |
| CM-CU21 | 评论者单元,2个演示者和1个客人位置 |
| 物理规范 | |
| 尺寸(原装): |
270mm(W)×230mm(D)×70mm(H-前)×95mm(H-后) 10.6“(W)×9”(D)×2.8“(H前)×3.74”(H后) |
| 尺寸(盒装): |
380mm(W)×350mm(D)×200mm(H) 15“(W)×13.8”(D)×7.8“(H) |
| 重量: |
净重:3.34kg毛重:4.32kg 净重:7.35磅总重:9.5磅 |
| 配件 | |
| CM-CU21CP | 注释器单元前盖板 |
| CM-CUTC | 评论者单位运输箱 |
|
尺寸(原装): (CM-CU21TP) |
530mm(W)×210mm(D)×415mm(H) 20.9“(W)×8.3”(D)×16.3“(H) |
|
尺寸(盒装): (CM-CU21TP) |
600mm(W)×260(D)×420(H) 23.6“(W)×10.2”(D)×16.5“(H) |
|
重量: (CM-CU21TP) |
净重:4.0kg毛重:5.0kg 净重:8.8磅总重:11.0磅 |


外围买球设备工程有限公司地址:福建省福州市鼓楼区软件大道89号福州软件园A区28号楼五层
Copyright © 1999-2025All Rights Reserved闽ICP备12023208号